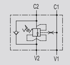
Тормозной клапан одностороннего действия линейный тип A VBCD SE A СС
350 бар, 160 л/мин
закрытый центр

Корпус: сталь с цинковым покрытием.
Уплотнение Buna N
Герметичность: незначительные утечки
Стандартная установка: 320 бар.

Подключение:
Соедините V1 и V2 c гидрораспределителем, С1 к порту свободного потока,и С2 к контролируемому порту гидроцилиндра.
| КОД | ТИП | соотношение площадей | Макс.расход, л/мин | Макс.давление, бар |
| Y0391 | VBCD 3/8" SE-A CC | 1:4,5 | 40 | 350 |
| Y0393 | VBCD 1/2" SE-A CC | 1:4,5 | 60 | 350 |
Перепад давления на клапане в зависимости от расхода.


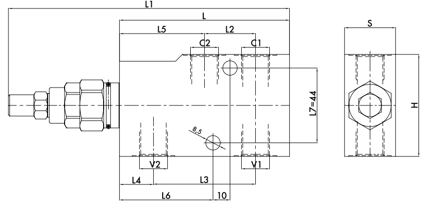
| КОД | ТИП | VI - V2 Cl -C2 | L | LI | L2 | L3 | L4 | L5 | L6 | L 7 | H | s | Масса |
| GAS | mm | mm | mm | mm | mm | mm | mm | mm | mm | mm | kg | ||
| V0391 | VBCD 3/8" SE-A CC | G 3/8" | 100 | 166 | 30 | 60 | 20 | 50 | 55 | 44 | 60 | 30 | 1,300 |
| V0393 | VBCD 1/2" SE-A CC | G 1/2" | 100 | 166 | 36 | 65 | 20 | 50 | 57,5 | 44 | 60 | 30 | 1,230 |
производитель
Oleodinamica Marchesini



