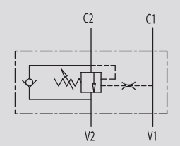
Тормозной клапан одностороннего действия линейный тип A VBCD SE A
350 бар, 160 л/мин
открытый центр

Корпус: сталь с цинковым покрытием.
Уплотнение Buna N
Герметичность: незначительные утечки
Стандартная установка: 320 бар.

Подключение:
Соедините V1 и V2 c гидрораспределителем, С1 к порту свободного потока,и С2 к контролируемому порту гидроцилиндра.
Перепад давления на клапане в зависимости от расхода.

| Код | Тип | Соотношение площадей | Макс. расход л/мин | Давление макс., бар. |
| V0382 | VBCD 1/4" SE/A | 1:4,5 | 20 | 350 |
| Y0392 | VBCD 3/8" SE/A | 1:4,5 | 40 | 350 |
| V0412 | VBCD 1/2" SE/A | 1:4,5 | 60 | 350 |
| V0419 | VBCD 3/4" SE/A | 1:5,5 | 95 | 350 |
| V0417 | VBCD 1" SE/A | 1:5,5 | 160 | 350 |

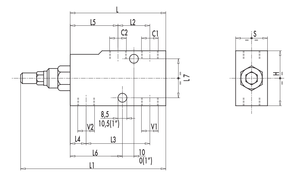
| КОД | ТИП | VI - V2 Cl -C2 GAS | L mm | Ll mm | L2 mm | L3 mm | и mm | L5 mm | L6 mm | 17 mm | H mm | s mm | масса, кг |
| V0382 | VBCD 1/4" SE/A | G 1/4" | 100 | 149 | 30 | 60 | 20 | 50 | 55 | 44 | 60 | 30 | 1,310 |
| Y0392 | VBCD 3/8" SE/A | G 3/8" | 100 | 149 | 30 | 60 | 20 | 50 | 55 | 44 | 60 | 30 | 1,256 |
| V0412 | VBCD 1/2" SE/A | G 1/2" | 100 | 149 | 36 | 65 | 20 | 50 | 57,5 | 44 | 60 | 30 | 1,196 |
| Y0419 | VBCD 3/4" SE/A | G 3/4" | 127 | 187 | 46 | 85 | 23,5 | 62,5 | 75 | 44 | 80 | 35 | 2,372 |
| Y0417 | VBCD 1" SE/A | G 1" | 156 | 213 | 70 | 109,5 | 23,5 | 63 | 75 | 70 | 90 | 50 | 5,520 |
Тормозные клапаны одностороннего действия типа VBCD SE A
|
|



