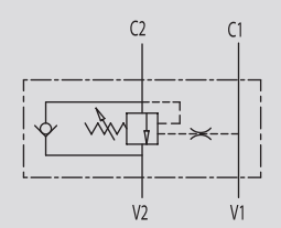
Тормозной клапан одностороннего действия линейный VBCD SE
350 бар, 100 л/мин
открытый центр

Уплотнение Buna N
Герметичность: незначительные утечки
Стандартная установка: 320 бар.

Подключение:
Соедините V1 и V2 c гидрораспределителем, С1 к порту свободного потока,и С2 к контролируемому порту гидроцилиндра.
| Код | Тип | Соотношение площадей | Макс. расход л/мин | Давление макс., бар. |
| V0390 | VBCD 3/8" SE | 1:3/1 | 35 | 350 |
| Y0390/RP18 | VBCD 3/8" SE RP 1:8 | 1:8 | 35 | 350 |
| V0410 | VBCD 1/2" SE | 1:3/1 | 50 | 350 |
| V0410/RP18 | VBCD 1/2" SE RP 1:8 | 1:8 | 50 | 350 |
| V0411 | VBCD 3/4" SE | 1:5:5 | 105 | 350 |
| V0411/RP18 | VBCD 3/4" SE RP 1:8 | 1:8 | 105 | 350 |
Перепад давления на клапане в зависимости от расхода.


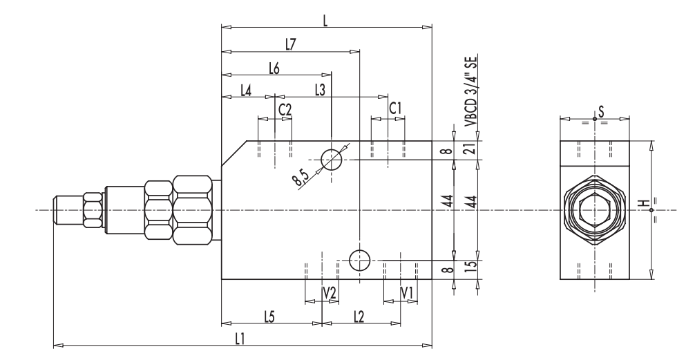
| Код | Тип | VI - V2 Cl - C2 GAS | L mm | Ll mm | L2 mm | L3 mm | L4 mm | L5 mm | L6 mm | L7 mm | H mm | s mm | масаа, кг |
| V0390 | VBCD 3/8" SE | G 3/8" | 90 | 162 | 32 | 48 | 23 | 42 | 48 | 58 | 60 | 30 | 1,194 |
| V0390/RP18 | VBCD 3/8" SE RP 1:8 | G 3/8" | 90 | 162 | 32 | 48 | 23 | 42 | 48 | 58 | 60 | 30 | 1,194 |
| V0410 | VBCD 1/2" SE | G 1/2" | 90 | 162 | 35 | 48 | 23 | 40,5 | 48 | 58 | 60 | 30 | 1,130 |
| V0410/RP18 | VBCD 1/2" SE RP 1:8 | G 1/2" | 90 | 162 | 35 | 48 | 23 | 40,5 | 48 | 58 | 60 | 30 | 1,130 |
| V0411 | VBCD 3/4" SE | G 3/4" | 118 | 190 | 47 | 71 | 23 | 47 | 72,5 | 72,5 | 80 | 35 | 2,150 |
| V0411/RP18 | VBCD 3/4" SE RP 1:8 | G 3/4" | 118 | 190 | 47 | 71 | 23 | 47 | 72,5 | 72,5 | 80 | 35 | 2,150 |
производитель
Oleodinamica Marchesini
Тормозные клапаны одностороннего действия VBCD SE
|
|



