Тормозной клапан одностороннего действия линейный VBCD SE СС
350 бар, 100 л/мин
закрытый центр

Уплотнение Buna N
Герметичность: незначительные утечки
Стандартная установка: 320 бар.

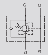
Подключение:
Соедините V1 и V2 c гидрораспределителем, С1 к порту свободного потока,и С2 к контролируемому порту гидроцилиндра.
| КОД | ТИП | отношение площадей | Расход, л/мин | Давление, макс. |
| V0407 | VBCD 3/8" SE CC | 1:3,1 | 35 | 350 |
| Y0407/RP18 | VBCD 3/8" SE CC RP 1:8 | 1:8 | 35 | 350 |
| V0408 | VBCD 1/2" SE CC | 1:3,1 | 50 | 350 |
| V0408/RP18 | VBCD 1/2" SE CC RP 1:8 | 1:8 | 50 | 350 |
| V0409 | VBCD 3/4" SE CC | 1:5,5 | 105 | 350 |
| Y0409/RP18 | VBCD 3/4" SE CC RP 1:8 | 1:8 | 105 | 350 |
Перепад давления на клапане в зависимости от расхода.


| КОД | ТИП | VI - V2 C1 -C2 GAS | L mm | Ll mm | L2 mm | L3 mm | L4 mm | L5 mm | L6 mm | L 7 mm | H mm | s mm | Масса, кг |
| V0407 | VBCD 3/8" SE CC | G 3/8" | 90 | 174 | 32 | 48 | 23 | 42 | 48 | 58 | 60 | 30 | 1,228 |
| V0407/RP18 | VBCD 3/8" SE CC RP 1:8 | G 3/8" | 90 | 174 | 32 | 48 | 23 | 42 | 48 | 58 | 60 | 30 | 1,228 |
| V0408 | VBCD 1/2" SE CC | G 1/2" | 90 | 174 | 35 | 48 | 23 | 40,5 | 48 | 58 | 60 | 30 | 1,228 |
| V0408/RP18 | VBCD 1/2" SE CC RP 1:8 | G 1/2" | 90 | 174 | 35 | 48 | 23 | 40,5 | 48 | 58 | 60 | 30 | 1,228 |
| V0409 | VBCD 3/4" SE CC | G 3/4" | 118 | 202 | 47 | 71 | 23 | 47 | 72,5 | 72,5 | 80 | 35 | 2,266 |
| V0409/RP18 | VBCD 3/4" SE CC RP 1:8 | G 3/4" | 118 | 202 | 47 | 71 | 23 | 47 | 72,5 | 72,5 | 80 | 35 | 2,266 |
производитель
Oleodinamica Marchesini
Тормозные клапаны одностороннего действия для закрытого центра VBCD SE CC
|
|



