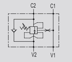
Тормозной клапан одинарного действия стыковый тип VBCD SE FL CC
350 бар, до 60 л/мин
закрытый центр

Уплотнение Buna N
Герметичность: незначительные утечки
Стандартная установка: 320 бар.

Подключение:
Соедините V1 и V2 c гидрораспределителем, фланец С2 напрямую к гидроцилиндру (мотору) на ту сторону, которую необходимо контролировать, С1 свободный поток.
| КОД | ТИП | Соотношение площадей | Макс.расход л/мин | Макс.давление, бар |
| V0403 | VBCD 3/8" SE FL CC | 1:4,5 | 40 | 350 |
| V0404 | VBCD 1/2" SE FL CC | 1:4,5 | 60 | 350 |
Перепад давления на клапане в зависимости от расхода.

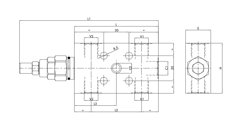
| КОД | ТИП | VI - V2 Cl -C2 | 0C2 | L | LI | L2 | L3 | H | s | Масса |
| GAS | mm | mm | mm | mm | mm | mm | mm | kg | ||
| V0403 | VBCD 3/8" SE FL CC | G 3/8" | 9 | 100 | 166 | 60 | 50 | 60 | 30 | 1,26 |
| V0404 | VBCD 1/2" SE FL CC | G 1/2" | 9 | 100 | 166 | 60 | 50 | 60 | 30 | 1,20 |
производитель
Oleodinamica Marchesini



