Тормозной клапан одинарного действия с болтом банджо тип VBCD SE FLV
350 бар, 60 л/мин
открытый центр

Уплотнение Buna N
Герметичность: незначительные утечки
Стандартная установка: 320 бар.

Подключение:
Соедините V1 и V2 c гидрораспределителем, фланец С2 напрямую к гидроцилиндру (мотору) на ту сторону, которую необходимо контролировать.
| КОД | ТИП | отношение площадей | макс. расход, л/мин | давление макс., бар |
| V0392/FLV | VBCD 3/8" SE/A FLV | 1:4,5 | 40 | 350 |
| V0412/FLV | VBCD 1/2" SE/A FLV | 1:4,5 | 60 | 350 |
Перепад давления на клапане в зависимости от расхода.

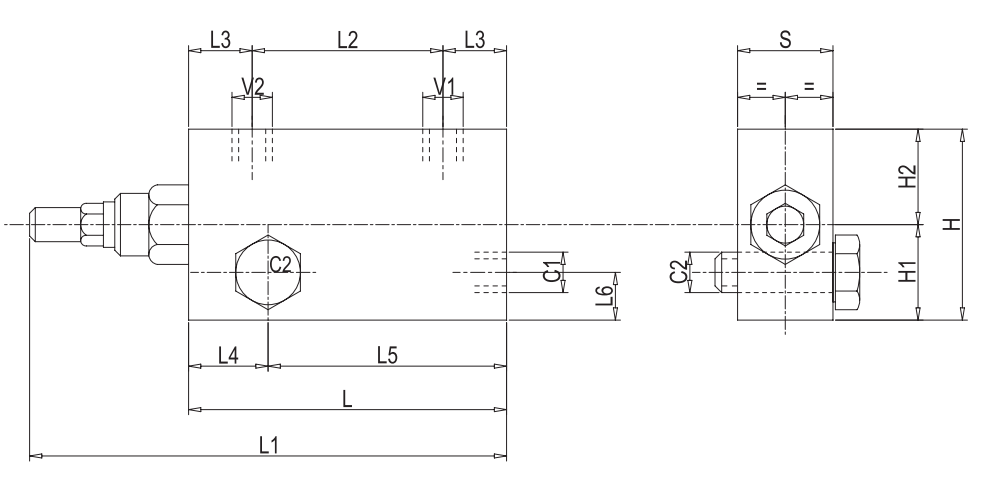
Размеры:

| CODICE | SIGLA | VI - V2 Cl -C2 | L | LI | L2 | L3 | L4 | L5 | L6 | HI | H2 | H | s | Масса |
| CODE | TYPE | GAS | mm | mm | mm | mm | mm | mm | mm | mm | mm | mm | mm | kg |
| V0392/FLV | VBCD 3/8" SE/A FLV | G 3/8" | 100 | 150 | 60 | 20 | 22 | 78 | 15 | 40 | 30 | 70 | 30 | 1,35 |
| V0412/FLV | VBCD 1/2" SE/A FLV | G 1/2" | 100 | 150 | 60 | 20 | 24 | 76 | 15 | 40 | 30 | 70 | 30 | 1,31 |
производитель
Oleodinamica Marchesini
Тормозные клапаны одностороннего действия фланцевого крепления винтами VBCD SE FLV
|
|



