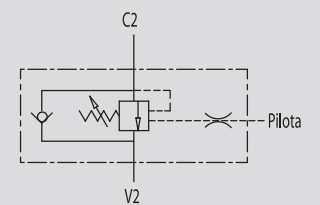
Тормозной клапан односторонний линейный 3 порта VBCD SE 3 VIE
350 бар, 60 л/мин
открытый центр

Уплотнение Buna N
Герметичность: незначительные утечки
Стандартная установка: 320 бар.

Подключение:
Соедините V2 c гидрораспределителем, С2 к гидроцилиндру Pilota - порт для управления.
| КОД | ТИП | соотношение площадей | Расход, л/мин | Макс. давление, бар |
| V0394 | VBCD 3/8" SE 3 VIE | 1:4,5 | 40 | 350 |
| V0414 | VBCD 1/2" SE 3 VIE | 1:4,5 | 60 | 350 |
Перепад давления на клапане в зависимости от расхода.

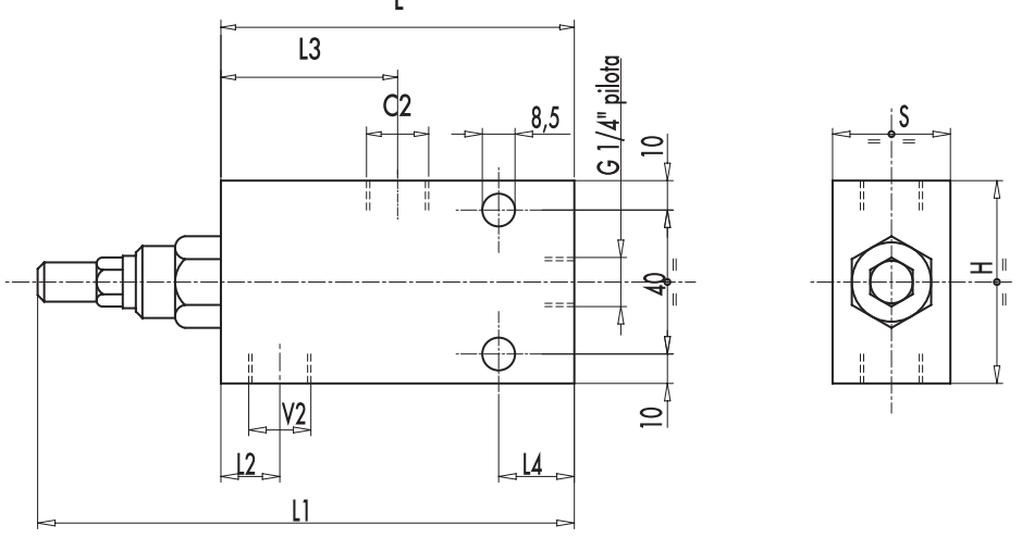
Размеры:

| КОД | ТИП | C2-V2 | L | LI | L2 | L3 | 14 | H | s | Масса |
| GAS | mm | mm | mm | mm | mm | mm | mm | kg | ||
| V0394 | VBCD 3/8" SE 3 VIE | G 3/8" | 100 | 149 | 20 | 50 | 25 | 60 | 30 | 1,34 |
| V0414 | VBCD 1/2" SE 3 VIE | G 1/2" | 100 | 149 | 20 | 50 | 25 | 60 | 30 | 1,31 |
производитель
Oleodinamica Marchesini
Трехлинейные тормозные клапаны одностороннего действия VBCD SE 3 VIE
|
|



