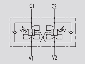
Клапан подпорно-тормозной двойного действия стыковый тип VBCD DE FL CC
320 бар, до 60 л/мин
закрытый центр

Клапан позволяет сохранить постоянную скорость опускания груза и предотвращает кавитацию.
Применяется на автовышках, кранах, и других подъемных механизмах, где возникает нагрузка попутная движению гидропривода.

Корпус: сталь с цинковым покрытием.
Уплотнение Buna N
Герметичность: незначительные утечки
Стандартная установка: 320 бар.
Подключение:
Соедините V1 и V2 c гидрораспределителем, фланец С1 и С2 напрямую к гидроцилиндру (мотору)
| КОД | ТИП | соотношение плошадей | Макс.расход, л/мин | Макс.давление, бар |
| V0433 | VBCD 3/8" DE FL CC | 1:4,5 | 40 | 350 |
| V0437 | VBCD 1/2" DE FL CC | 1:4,5 | 60 | 350 |
Перепад давления на клапане в зависимости от расхода.


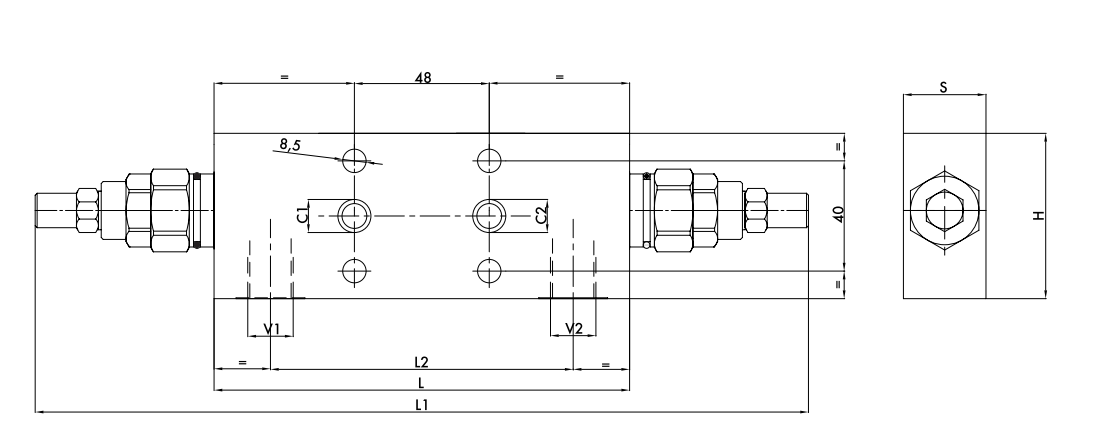
| КОД | ТИП | VI - V2 Cl -C2 | 0C2 | L | Ll | L2 | H | s | МАССА |
| GAS | mm | mm | mm | mm | mm | mm | kg | ||
| V0433 | VBCD 3/8" DE FL CC | G 3/8" | 9 | 150 | 282 | 110 | 60 | 30 | 2,02 |
| V0437 | VBCD 1 /2" DE FL CC | G 1/2" | 9 | 150 | 282 | no | 60 | 30 | 2,00 |
производитель
Oleodinamica Marchesini



