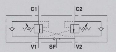
Тормозной клапан двусторонний линейный тип A с разблокировкой тормоза VBCD DE A SF
350 бар, 60 л/мин
открытый центр

Корпус: сталь с цинковым покрытием.
Уплотнение Buna N
Герметичность: незначительные утечки
Стандартная установка: 320 бар.

Подключение:
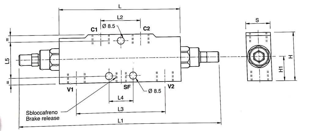
Соедините V1 и V2 c гидрораспределителем, С1 и С2 к порту гидроцилиндра, SF порт разблокировки гидравлического тормоза.
Перепад давления на клапане в зависимости от расхода.

| КОД | ТИП | соотношение площадей | Макс. расход, л/мин | Макс. давление, бар |
| V0422/SF | VBCD 3/8" DE A SF | 1:4,5 | 40 | 350 |
| V0432/SF | VBCD 1/2" DE ASF | 1:4,5 | 60 | 350 |

| КОД | тип | VI-V2 C1-C2 | SF | l | LI | L2 | L3 | u | 15 | H | HI | S | Масса |
| GAS | GAS | mm | mm | mm | mm | mm | mm | mm | mm | mm | кг | ||
| V0422/SF | VBCD 3/8" DE A SF | G 3/8" | G1/4" | 150 | 248 | 50 | 010 | 30 | 50 | 60 | 32 | 30 | 1 944 |
| V0432/SF | VBCD 1/2" DE A SF | G 1/2" | G1/4" | 150 | 248 | 50 | no | 30 | 50 | 60 | 32 | 30 | 1 886 |
производитель
Oleodinamica Marchesini



